Мdk-03 - ЕЛЕКТРОННИЙ КОНТРОЛЕР ОДНОФАЗНОГО НАСОСА
ШАФА КЕРУВАННЯ ОДНОФАЗНИМ НАСОСОМ НА ОСНОВІ КОНТРОЛЕРА MDK-03.
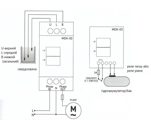
1. ЕЛЕКТРИЧНІ З'ЄДНАННЯ.

ІНСТРУКЦІЯ З ВИКОРИСТАННЯ MDK-03.
2. ЕЛЕКТРИЧНІ З'ЄДНАННЯ.

3.
ПАРАМЕТРИ МЕНЮ ПРОГРАМУВАННЯ ТА КНОПКИ КЕРУВАННЯ НА ЛИЦЕВІЙ ПАНЕЛІ.

RESET - кнопка скидання контролера для переведення приладу в робочий стан після помилок параметрів мережі.
MENU - кнопка входу в меню для
налаштування параметрів, пересування по меню і збереження заданих параметрів,
виходу з меню.
START/UP — кнопка перемикання
приладу в режим «СТАРТ», кнопка зміни списку параметрів і вибору їх значень в
меню (вгору).
STOP/DOWN - кнопка перемикання
приладу в режим «СТОП», кнопка зміни списку параметрів і вибору їх значень в
меню (вниз).
Натисніть кнопку MENU, щоб увійти до меню параметрів контролера MDK-03. Ви
потрапите на сторінку першого параметра (Р1). При цьому на верхньому дисплеї
відображається номер параметра, а на нижньому значення цього параметра.
Натискаючи кнопки UP і DOWN можна змінити значення параметрів. Після цього натисніть кнопку MENU для збереження вибраного значення або RESET, щоб вийти з
меню.
Примітка. Якщо не натискати кнопки в меню
програмування більше 60 секунд вихід з меню здійснюється автоматично.
За необхідністі в МЕНЮ (MENU) можна змінити такі параметри:
|
№ |
Параметр |
Значення Min |
Значення Max |
Фабричне налаштування |
Од.вим. |
|
P.1 |
Максимально
допустиме значення напруги |
230 |
270 |
245 |
В |
|
P.2 |
Максимально допустиме значення
струму |
0 |
20 |
5 |
А |
|
P.3 |
Мінімально
допустиме значення напруги |
150 |
210 |
160 |
В |
|
P.4 |
Мінімально допустиме значення струму |
0 |
20 |
0 |
А |
|
P.5 |
Час
дії мінімально допустимого струму без активації захисту |
0 |
850 |
2 |
сек |
|
P.6 |
Час
автоматичного скидання помилки по струму |
Off |
850 |
Off |
сек |
|
P.7 |
Множник
сили струму в режимі пуску (пускове перевантаження) |
1.0 |
10.0 |
3.0 |
- |
|
P.8 |
Час дії
допустимого пускового перевантаження |
0 |
850 |
10 |
сек |
|
P.9 |
Обмеження кількісті автоматичних рестартів по помилці струму. |
Off |
200 |
Off |
- |
|
P.10 |
Час
затримки сигналу верхнього електрода |
0 |
850 |
0 |
хв |
|
P.11 |
Показчики
роботи електродів (датчиків рівня)* |
- |
- |
- |
- |
|
P.12 |
Запам'ятовування
останнього стану контролера перед відключенням живлення |
0 |
1 |
1 |
- |
* вказує
чи занурені електроди у воду (якщо значення менше 230 - електроди занурені у воду, червоний дисплей - верхній електрод,
жовтий дисплей – нижній електрод)
4. ПЕРШИЙ
ПУСК.
Після першого підключення до живлення, прилад
очікує 4 секунди, потім аналізує параметри мережі та їх відповідність заданим
параметрам, визначає, чи є вода в свердловині (чи занурені електроди в воду),
чи заповнений повністю гідроакумулятор (тобто, чи розімкнений контакт реле тиску чи поплавкового вимикача).
Якщо контролер знаходиться у режимі «СТАРТ» (світиться зелений індикатор "START"), то здійснюється подача живлення
на насос і підсвічується верхній зелений індикатор. На дисплеї
відображаються поточні
значення напруги і струму.
Режим «СТАРТ» - для
переведення приладу в цей режим, натисніть кнопку START
Режим «СТОП» для переведення приладу в
цей режим, натисніть кнопку STOP (в
цьому режимі прилад MDK-03 не здійснює контроль і не запускає насос).
Примітка. Якщо насос не вмикається (і, відповідно, верхній зелений
індикатор не підсвічується):
- перевірте чи знаходиться
контролер в режимі «СТАРТ»;
- чи замкнутий контакт реле тиску;
- чи знаходяться електроди у воді (горить індикатор електрода верхнього
рівня, якщо індикатор миготить це вказує на відлік часу таймером затримки включення (якщо в меню заданий час затримки);
- чи параметри напруги і споживаного струму знаходяться в межах, визначених в меню.
5. ТЕХНІЧНА ІНФОРМАЦІЯ.
·
Робоча напруга: 140 - 280 В змінного струму
·
Частота: 50Гц
·
Діапазон контролю струму: 1-20А
·
Потужність споживана < 6Вт
·
Чутливість рідини: <50кОм
·
Клас захисту: IP40
·
Робочий температурний діапазон: від -20С до +55 град.С
·
Перетин силового кабелю: макс 10 мм2, електроди до 2,5 мм2
·
Вес: 0,25 кг
·
Висота установки: менше 2000м
